Anlage 22
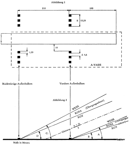
Gleitwinkelbefeuerung (VASIS und A-VASIS) (§ 81)
Zuletzt aktualisiert am
27.11.2017
Gesetzesnummer
10011441
Dokumentnummer
NOR12148059
alte Dokumentnummer
N9197249454J
Lizenziert vom RIS (ris.bka.gv.at - CC BY 4.0 DEED)
Anlage 22
Gleitwinkelbefeuerung (VASIS und A-VASIS) (§ 81)
Zuletzt aktualisiert am
27.11.2017
Gesetzesnummer
10011441
Dokumentnummer
NOR12148059
alte Dokumentnummer
N9197249454J
Lizenziert vom RIS (ris.bka.gv.at - CC BY 4.0 DEED)