vorheriges Dokument
nächstes Dokument

Anlage 3 EisbBBV

Aktuelle FassungIn Kraft seit 27.6.2014

Anlage 3

Bezugslinien

Bild 1: kinematische Bezugslinie G2

für Schienenfahrzeuge, die nicht freizügig im grenzüberschreitenden Verkehr eingesetzt werden (Maße in mm)

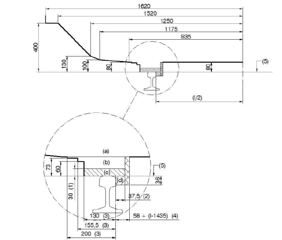
Bild 2: Unterer Teil der Bezugslinie für Schienenfahrzeuge, die Gleisbremsen in Bremsstellung oder sonstige aktivierte Verschub- oder Abbremsvorrichtungen befahren dürfen.

(Maße in mm)

(a) Bereich nicht in unmittelbarer Nähe der Räder

(b) Bereich in unmittelbarer Nähe der Räder

(c) Auswurfbereich für Hemmschuhe

(d) Bereich für Räder und für Bauteile, die mit der Schiene in Kontakt kommen

(e) Bereich für Räder

(f) Bereich für Gleisbremsen in gelöstem Zustand

  1. l Spurweite

(1) Begrenzung außerhalb des Bereiches der Endradsätze

(2) Fiktive maximale Spurkranzbreite bei vorhandenen Führungsschienen

(3) Begrenzung der äußeren Radfläche und der mit dem Rad verbundenen Teile

(4) Raum für die maximale Höhe der Hemmschuhe

(5) In diesen Bereich darf kein Element des Fahrzeuges eindringen

(6) Begrenzung der inneren Radfläche, wenn der Radsatz an der gegenüberliegenden Schiene

anliegt. (Abhängig von der Spurerweiterung)

(7) Raum für Hemmschuhe

(8) Rollebene

Bild 3: Unterer Teil der Bezugslinie für Schienenfahrzeuge, die Gleisbremsen in Bremsstellung oder sonstige aktivierte Verschub- oder Abbremsvorrichtungen nicht befahren dürfen.

(Maße in mm)

(a) Bereich nicht in unmittelbarer Nähe der Räder

(b) Bereich in unmittelbarer Nähe der Räder

(c) Bereich für Räder und für Bauteile, die mit der Schiene in Kontakt kommen

(d) Bereich für Räder

  1. l Spurweite

(1) Begrenzung außerhalb des Bereiches der Endradsätze

(2) Fiktive maximale Spurkranzbreite bei vorhandenen Führungsschienen

(3) Begrenzung der äußeren Radfläche und der mit dem Rad verbundenen Teile

(4) Begrenzung der inneren Radfläche, wenn der Radsatz an der gegenüberliegenden Schiene

anliegt. (Abhängig von der Spurerweiterung)

(5) Rollebene

Bild 4: kinematische Bezugslinie für Stromabnehmer

(Maße in mm)

Bild 5: kinematische Bezugslinie G1

für Schienenfahrzeuge, die freizügig im grenzüberschreitenden Verkehr eingesetzt werden

Zusatzdokumente: image001, image002, image003, image004, image005

Lizenziert vom RIS (ris.bka.gv.at - CC BY 4.0 DEED)