Anlage 2
II. VORBEREITUNG DER PROBEN IM LABORATORIUM
- 1. ALLGEMEINES
- 1.1. Die Analysebestimmung wird an jeder Einzelprobe durchgeführt. Sofern die Menge zu klein ist, wird eine Mindestzahl von Einzelproben sorgfältig gemischt, bevor die Laborprobe entnommen wird.
- 1.2. Das Behältnis wird geöffnet – sofern es die entsprechende Analysemethode vorsieht unter inerter Atmosphäre – und die für die Analyse notwendigen Versuchsmengen möglichst rasch entnommen. Danach werden die Analysen unverzüglich durchgeführt. Wenn die Probe konserviert werden muß, wird das Behältnis unter inerter Atmosphäre wieder verschlossen.
- 1.3. Kosmetische Mittel können in flüssigem, festem oder pastösem Zustand sein. Es kann vorkommen, daß ursprünglich homogene Erzeugnisse später in mehreren Phasen vorliegen. In solchen Fällen müssen sie erneut homogenisiert werden.
- 1.4. Sofern ein kosmetisches Mittel auf besondere Weise zum Verkauf angeboten wird, so daß nicht im Einklang mit diesen Vorschriften verfahren werden kann, und sofern keine zutreffenden Untersuchungsmethoden bestehen, kann nach eigenen Methoden verfahren werden, wenn diese in schriftlicher Form als Teil des Analyseberichts festgelegt werden.
- 2. FLÜSSIGPHASEN
- 2.1. In diesem Zustand befinden sich Erzeugnisse wie „Eau de toilette“, Lotionen, Lösungen, Öle, milchige Zubereitungen, die in Flakons, Flaschen, Ampullen oder Tuben verpackt sind.
- 2.2. Entnahme der Versuchsmenge:
- Vor dem Öffnen das Behältnis kräftig schütteln.
- Öffnen.
- Einige Milliliter der Flüssigkeit werden zur visuellen Prüfung in ein Reagenzröhrchen gegeben, um festzustellen, welche Eigenschaften das Erzeugnis bei der Entnahme der Versuchsmenge hat.
- Behältnis wieder verschließen oder die benötigte Versuchsmenge entnehmen.
- Behältnis wieder sorgfältig verschließen.
- 3. PASTÖSE PHASEN
- 3.1. In diesem Zustand befinden sich Erzeugnisse wie Pasten, Cremes, Emulsionen und Gele, die in Tuben, Druckflaschen oder Tiegel verpackt sind.
- 3.2. Entnahme der Versuchsmenge:
Zwei Fälle sind möglich:
- 3.2.1. Behältnisse mit enger Öffnung (Tube, Druckflasche). Mindestens den ersten Zentimeter des zu analysierenden Produkts beseitigen. Versuchsmenge entnehmen und Behältnis sofort wieder verschließen.
- 3.2.2. Behältnis mit weiter Öffnung (Tiegel). Oberfläche leicht wegschaben, um die oberste Schicht zu entfernen. Die Versuchsmenge entnehmen und das Behältnis sofort wieder verschließen.
- 4. FESTE PHASEN
- 4.1. In diesem Zustand befinden sich Erzeugnisse wie Puder, Kompaktpuder oder Stifte, die in Schachteln oder Dosen verpackt sein können.
- 4.2. Entnahme der Versuchsmenge:
Zwei Fälle sind möglich:
- 4.2.1. Puder. Vor dem Entstöpseln oder Öffnen Puder kräftig schütteln. Öffnen und Versuchsmenge entnehmen.
- 4.2.2. Kompaktpuder oder Stift. Durch leichtes Schaben Oberfläche des festen Körpers entfernen und Versuchsmenge entnehmen.
- 5. DRUCKGASPACKUNGEN (Aerosole)
- 5.1. Diese Erzeugnisse sind in § 2 der Aerosolpackungsverordnung, BGBl. Nr. 560/1994 i.d.j.g.F, definiert.
- 5.2. Laborprobe:
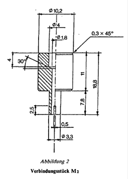
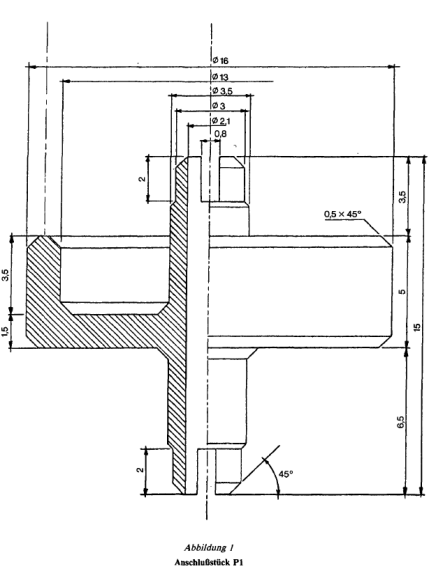
Die Druckgaspackung wird zunächst kräftig geschüttelt. Sodann wird eine repräsentative Menge des Inhalts mittels eines Anschlußstücks (siehe Abbildung 1) in eine mit einem Aerosolventil ausgestattete kunststoffbeschichtete durchsichtige Flasche übergeleitet. Die Flasche besitzt kein Steigrohr. In Sonderfällen kann die Analysenmethode die Verwendung anderer Anschlußstücke vorsehen. Durch dieses Überleiten wird der Inhalt der Druckgaspackung gut sichtbar. Vier Fälle sind möglich:
- 5.2.1. Der Inhalt ist eine homogene Lösung. Er ist als solcher für die weitere Analyse direkt verwendbar.
- 5.2.2. Der Inhalt besteht aus zwei Flüssigphasen. Jede einzelne Phase kann nach dem Umfüllen der untersten Phase in eine zweite Aufnahmeflasche analysiert werden. Beim Umfüllen muß die erste Aufnahmeflasche mit dem Ventil nach unten gehalten werden. Die untere Phase ist häufig wäßrig und enthält kein Treibgas mehr (Fall Butan/Wasser).
- 5.2.3. Der Inhalt besteht aus einem Puder in Suspension. Nach Abtrennung des Puders kann die Flüssigphase analysiert werden.
- 5.2.4. Aerosolschaum. In die Aufnahmeflasche wird eine Menge von ca. 5 bis 10 Gramm 2-Methoxyäthanol genau eingewogen. Dieser Stoff verhindert bei der Entgasung die Schaumbildung, so daß die Treibgase ohne Flüssigkeitsverlust abgetrennt werden können.
- 5.3. Hilfsmittel
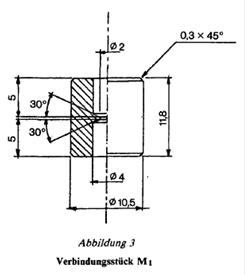
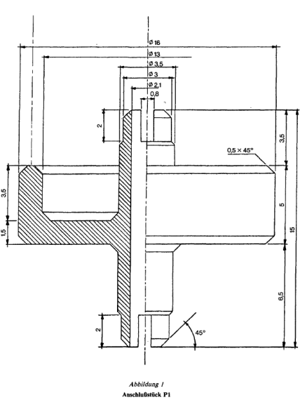
Das Anschlußstück P1 (siehe Abbildung 1) wird aus Duraluminium oder aus Messing angefertigt. Es ist so beschaffen, daß es mittels eines Anschlußstücks aus Polyäthylen an die unterschiedlichen Ventilsysteme paßt (siehe Abbildungen 2 und 3). Die Aufnahmeflasche (siehe Abbildung 4) besteht aus weißem Glas, das außen mit einer durchsichtigen Kunststoffschutzschicht überzogen ist. Der Flascheninhalt beträgt 50 bis 100 ml. Die Flasche ist mit dem Ventil, aber ohne Steigrohr ausgestattet.
- 5.4. Verfahren
Um eine ausreichende Menge überzuleiten, ist es erforderlich, die Luft aus der Flasche zu verdrängen. Zu diesem Zweck werden mittels des Anschlußstücks P1 ungefähr 10 ml Dichlordifluormethan oder Butan (je nach Art des zu untersuchenden Aerosols) eingefüllt. Dieses läßt man bis zum vollkommenen Verschwinden der flüssigen Phase verdampfen; die Flasche ist dabei mit dem Ventil nach oben zu halten. Das Anschlußstück wird abgetrennt und die Aufnahmeflasche gewogen („a“ Gramm). Die Druckgaspackung, von der eine Probe entnommen werden soll, wird kräftig geschüttelt. Nun wird das Anschlußstück P1 auf das Ventil der Druckgasflasche aufgesetzt (Ventil nach oben), dann die Aufnahmeflasche Pt (Hals nach unten) auf das Anschlußstück P1 angeschlossen und gedrückt. Auf diese Weise wird die Aufnahmeflasche bis zu etwa
gefüllt. Wird die Überleitung aufgrund eines Druckausgleichs vorzeitig unterbrochen, so kann sie durch Abkühlen der Aufnahmeflasche fortgesetzt werden. Das Anschlußstück P1 wird abgenommen, die gefüllte Aufnahmeflasche gewogen („b“ Gramm) und das Gewicht des übergeleiteten Erzeugnisses (m1) ermittelt (m1 = b – a).
Die auf diese Weise erhaltene Probe kann verwendet werden:
- 1. für die übliche chemische Analyse,
- 2. für eine gaschromatographische Analyse der flüchtigen Bestandteile.
- 5.4.1. Chemische Analyse
Mit der Aufnahmeflasche – Hals nach oben – wird nun wie folgt verfahren:
- Verdampfen. Wenn durch die Verdampfung Schaum gebildetwird, so ist eine Aufnahmeflasche zu verwenden, in die zuvor mittels einer Injektionsspritze durch das Anschlußstück P1 eine bekannte Menge von 2-Methoxyäthanol (ca. 5 bis 10 g) eingegeben wird.
- Die quantitative Abtrennung der flüchtigen Bestandteile wird durch Bewegen im Wasserbad von 40° C vervollständigt.
- Nach erneutem Wiegen der Aufnahmeflasche („c“ Gramm) wird das Gewicht des Rückstands (m2) ermittelt (m2 = c – a).
(Bei der Berechnung des Gewichts des Rückstands ist gegebenenfalls die Menge des zugegebenen Methoxyäthanols zu berücksichtigen.)
- Anschlußstück P1 von der Aufnahmeflasche abnehmen;
- Rückstand in einer bekannten Menge eines geeigneten Lösungsmittels quantitativ lösen;
- Durchführung der gewünschten Analyse an einer aliquoten Teilmenge.
Formeln für die Berechnung:
dabei ist:
- m1 = das Gewicht des in die Aufnahmeflasche übergeleiteten Erzeugnisses,
- m2 = das Gewicht des Rückstands nach Erwärmen bei 40° C,
- r = Prozentanteil der enthaltenen Substanz in m2 (Bestimmung durch geeignete Methode),
- R = Prozentanteil der enthaltenen Substanz im gesamten Erzeugnis,
- Q = absolute Gesamtmenge der enthaltenen Substanz in der Druckgaspackung,
- P = Nettogewicht der ursprünglichen Druckgaspackung.
- 5.4.2. Gaschromatographische Analyse der flüchtigen Bestandteile
- 5.4.2.1. Prinzip
Aus der Aufnahmeflasche Pt wird mittels einer Injektionsspritze zur Gaschromatographie eine ausreichende Menge an Flüssigkeit entnommen. Der Inhalt der Spritze wird sodann in den Chromatograph injiziert.
- 5.4.2.2. Hilfsmittel
Injektionsspritze zur Gaschromatographie (Abbildung 5) „Precision sampling“, Serie A2 (oder gleichwertige Spritze). Diese Spritze ist an ihrem Nadelende mit einem Verschlußhahn versehen. Die Spritze ist mit der Aufnahmeflasche durch das Anschlußstück P1 und durch ein Polyäthylen-Röhrchen (Länge 8 mm, Durchmesser 2,5 mm) verbunden.
- 5.4.2.3. Verfahren
Nach Überleitung einer ausreichenden Menge des Erzeugnisses in die Aufnahmeflasche mittels des Anschlußstücks P1 wird das konische Ende der Spritze, wie unter 5.4.2.2 beschrieben, auf die Aufnahmeflasche aufgesetzt. Bei geöffnetem Verschlußhahn wird eine ausreichende Menge an Flüssigkeit angesaugt; Gasblasen durch wiederholtes Hin- und Herbewegen des Kolbens entfernt (erforderlichenfalls Kühlen der Spritze). Wenn die Spritze eine ausreichende Menge an blasenfreier Flüssigkeit enthält, wird der Verschlußhahn geschlossen und die Spritze von der Aufnahmeflasche gelöst. Nun wird eine Nadel aufgesetzt, die Spritze in das Einlaßsystem der Chromatographen eingeführt, der Verschlußhahn geöffnet und injiziert.
- 5.4.2.4. Interner Standard
Sofern die Anwendung eines internen Standards erforderlich ist, so kann dieser ebenfalls mit Hilfe einer Spritze und eines Anschlußstücks in die Aufnahmeflasche eingegeben werden.
Zuletzt aktualisiert am
09.05.2017
Gesetzesnummer
10010899
Dokumentnummer
NOR12138646
alte Dokumentnummer
N8199547953J
Zusatzdokumente: image001, image002, image003, image004, image005, image006, image007
Lizenziert vom RIS (ris.bka.gv.at - CC BY 4.0 DEED)
